WBK 高荷重型
重負荷軸承座主要應用於工作機械等設備,可以承載極佳的軸向負荷。重負荷軸承座使用的軸承為 60° 接觸角之推力型斜角滾珠軸承,由於 60° 接觸角的設計,使重負荷軸承座具有極佳的軸向負載能力及軸向剛性。

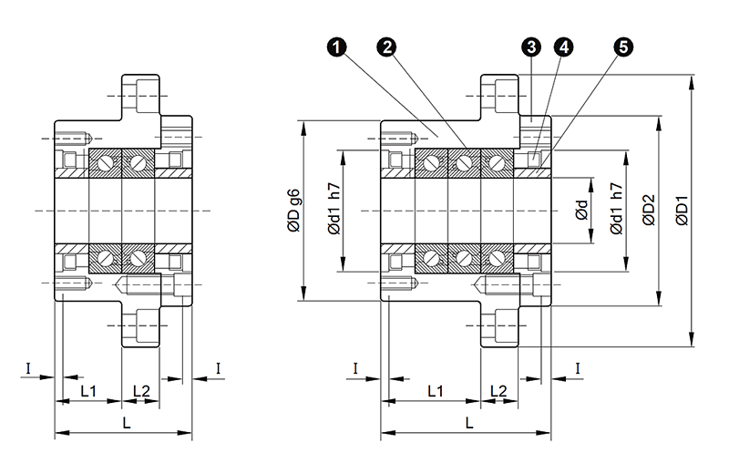
1 軸承座主體
2 軸承
3 壓板
4 軸封
5 間隔環

DF 為一般型式,可以同時承受正反向的軸向負荷。
DFD 是使用一方向一顆軸承而另一方向兩顆軸承的設計來局部加強某一方向的軸向負載能力。
DFF 型式的組合則是兩方向皆使用兩顆軸承來加強雙向的軸向負載能力。

| 型號 | d | D | D1 | D2 | L | L1 | L2 | A | W | X | Y | Z | d1 | I | V | P | Q | H |
|---|---|---|---|---|---|---|---|---|---|---|---|---|---|---|---|---|---|---|
| WBK 17DF | 17 | 70 | 106 | 72 | 60 | 32 | 15 | 80 | 88 | 9 | 14 | 8.5 | 45 | 3 | 58 | M5 | 10 | M6 |
| WBK 20DF | 20 | 70 | 106 | 72 | 60 | 32 | 15 | 80 | 88 | 9 | 14 | 8.5 | 45 | 3 | 58 | M5 | 10 | M6 |
| WBK 25DF | 25 | 85 | 130 | 90 | 66 | 33 | 18 | 100 | 110 | 11 | 17 | 11 | 57 | 4 | 70 | M6 | 12 | M6 |
| WBK 30DF | 30 | 85 | 130 | 90 | 66 | 33 | 18 | 100 | 110 | 11 | 17 | 11 | 57 | 4 | 70 | M6 | 12 | M6 |
| WBK 35DF | 35 | 95 | 142 | 102 | 66 | 33 | 18 | 106 | 121 | 11 | 17 | 11 | 69 | 4 | 80 | M6 | 12 | M6 |
| WBK 40DF | 40 | 95 | 142 | 102 | 66 | 33 | 18 | 106 | 121 | 11 | 17 | 11 | 69 | 4 | 80 | M6 | 12 | M6 |
| WBK 25DFD | 25 | 85 | 130 | 90 | 81 | 48 | 18 | 100 | 110 | 11 | 17 | 11 | 57 | 4 | 70 | M6 | 12 | M6 |
| WBK 30DFD | 30 | 85 | 130 | 90 | 81 | 48 | 18 | 100 | 110 | 11 | 17 | 11 | 57 | 4 | 70 | M6 | 12 | M6 |
| WBK 35DFD | 35 | 95 | 142 | 102 | 81 | 48 | 18 | 106 | 121 | 11 | 17 | 11 | 69 | 4 | 80 | M6 | 12 | M6 |
| WBK 40DFD | 40 | 95 | 142 | 102 | 81 | 48 | 18 | 106 | 121 | 11 | 17 | 11 | 69 | 4 | 80 | M6 | 12 | M6 |
| WBK 25DFF | 25 | 85 | 130 | 90 | 96 | 48 | 18 | 100 | 110 | 11 | 17 | 11 | 57 | 4 | 70 | M6 | 12 | M6 |
| WBK 30DFF | 30 | 85 | 130 | 90 | 96 | 48 | 18 | 100 | 110 | 11 | 17 | 11 | 57 | 4 | 70 | M6 | 12 | M6 |
| WBK 35DFF | 35 | 95 | 142 | 102 | 96 | 48 | 18 | 106 | 121 | 11 | 17 | 11 | 69 | 4 | 80 | M6 | 12 | M6 |
| WBK 40DFF | 40 | 95 | 142 | 102 | 96 | 48 | 18 | 106 | 121 | 11 | 17 | 11 | 69 | 4 | 80 | M6 | 12 | M6 |
高荷重型螺桿支撐座 / WBK 油孔型滾珠螺桿支撐座。
主要構成零件軸承座主體、軸承、壓板、間隔圈、軸封。
滾珠螺桿專用之軸承座搭配滾珠螺桿廣泛使用在自動化設備及高科技產業。




